Kadett B Forum
Registrierung Kalender Mitgliederliste Teammitglieder Statistik Suche Häufig gestellte Fragen Galerie Zur Startseite

Kadett B Forum » Off - Topic » allgemeine Rumlaberei *SPAM* » 40 Weber Vergaser » Hallo Gast [Anmelden|Registrieren]
Letzter Beitrag | Erster ungelesener Beitrag Druckvorschau | An Freund senden | Thema zu Favoriten hinzufügen
Seiten (2): [1] 2 nächste » Neues Thema erstellen Antwort erstellen
Zum Ende der Seite springen 40 Weber Vergaser
Autor
Beitrag « Vorheriges Thema | Nächstes Thema »
Carsten B aus I


images/avatars/avatar-2544.jpg

Dabei seit: 19.12.12
Herkunft: Iserlohn

Fragezeichen 40 Weber Vergaser Auf diesen Beitrag antworten Zitatantwort auf diesen Beitrag erstellen Diesen Beitrag editieren/löschen Diesen Beitrag einem Moderator melden       Zum Anfang der Seite springen

Hallo erstmal alle zusammen . Ich habe seit ein paar Wochen einen Kadett B .Bj 68
Der Wagen hat ein 12 S Motor mit 40 Weber Vergaser . Er läuft ganz ordentlich nur
Im unterem Bereich nicht wirklich . Kann mir eventuell jemand sagen welche Düsen
Für den Motor am besten wären .
confused
Ich hoffe das mir da jemand weiter helfen kann
headbanger

__________________
Gruß Carsten





headbanger Opel Kadett-B 1969 / Vespa PK 50 1981 klatsch
18.01.13 01.44 Carsten B aus I ist offline E-Mail an Carsten B aus I senden Beiträge von Carsten B aus I suchen Nehmen Sie Carsten B aus I in Ihre Freundesliste auf
Greenie


Dabei seit: 17.04.04

Auf diesen Beitrag antworten Zitatantwort auf diesen Beitrag erstellen Diesen Beitrag editieren/löschen Diesen Beitrag einem Moderator melden       Zum Anfang der Seite springen

Hy...Schau doch mal in die SUFU.....da kommt so einiges über Webervergaser....und ich glaube wenn Du Dir die Posts durchliest weist Du bescheid über diese Vergaser....

http://80.86.91.251/wbb2/search.php?searchid=372595
18.01.13 07.30 Greenie ist offline E-Mail an Greenie senden Beiträge von Greenie suchen Nehmen Sie Greenie in Ihre Freundesliste auf
Peter Muhr


images/avatars/avatar-1075.jpg

Dabei seit: 05.12.04
Herkunft: Iserlohn

Auf diesen Beitrag antworten Zitatantwort auf diesen Beitrag erstellen Diesen Beitrag editieren/löschen Diesen Beitrag einem Moderator melden       Zum Anfang der Seite springen

Hallo


Eh du Greenie der mit den Düsen Tanzt jetzt gib Ihm mal mehr Info's.
Der Junge ist doch neu hier und genau der Richtige hat doch schon geantwortet.



Gruß Peter

__________________
 Wink 2   Auch meine Schreibfehler könnt Ihr behalten  Wink 2  



Kadett B Car 2 LE, Kadett B Cabrio 1,1 , Kadett B Limo 1,1, Pontiac Star Chief 1955, Chevy Pick Up 1955, Kadett Limo 2,3 Power 147 PS, NSU Prima D,Vespa 1965
18.01.13 19.47 Peter Muhr ist offline E-Mail an Peter Muhr senden Beiträge von Peter Muhr suchen Nehmen Sie Peter Muhr in Ihre Freundesliste auf
Carsten B aus I


images/avatars/avatar-2544.jpg

Dabei seit: 19.12.12
Herkunft: Iserlohn

Themenstarter Thema begonnen von Carsten B aus I
Auf diesen Beitrag antworten Zitatantwort auf diesen Beitrag erstellen Diesen Beitrag editieren/löschen Diesen Beitrag einem Moderator melden       Zum Anfang der Seite springen

Hallo danke für den Tip . Aber leide werde ich nicht auf die Seite weitergeleitet Wandhauer
Gruß Carsten

__________________
Gruß Carsten





headbanger Opel Kadett-B 1969 / Vespa PK 50 1981 klatsch
18.01.13 19.48 Carsten B aus I ist offline E-Mail an Carsten B aus I senden Beiträge von Carsten B aus I suchen Nehmen Sie Carsten B aus I in Ihre Freundesliste auf
Peter Muhr


images/avatars/avatar-1075.jpg

Dabei seit: 05.12.04
Herkunft: Iserlohn

Auf diesen Beitrag antworten Zitatantwort auf diesen Beitrag erstellen Diesen Beitrag editieren/löschen Diesen Beitrag einem Moderator melden       Zum Anfang der Seite springen

Hallo


Komme auch nicht auf die Seite




Gruß Peter

__________________
 Wink 2   Auch meine Schreibfehler könnt Ihr behalten  Wink 2  



Kadett B Car 2 LE, Kadett B Cabrio 1,1 , Kadett B Limo 1,1, Pontiac Star Chief 1955, Chevy Pick Up 1955, Kadett Limo 2,3 Power 147 PS, NSU Prima D,Vespa 1965
18.01.13 19.56 Peter Muhr ist offline E-Mail an Peter Muhr senden Beiträge von Peter Muhr suchen Nehmen Sie Peter Muhr in Ihre Freundesliste auf
Carsten B aus I


images/avatars/avatar-2544.jpg

Dabei seit: 19.12.12
Herkunft: Iserlohn

Themenstarter Thema begonnen von Carsten B aus I
Auf diesen Beitrag antworten Zitatantwort auf diesen Beitrag erstellen Diesen Beitrag editieren/löschen Diesen Beitrag einem Moderator melden       Zum Anfang der Seite springen

Dann liegt es ja doch nicht an mir biggrin



Gruß Carsten

__________________
Gruß Carsten





headbanger Opel Kadett-B 1969 / Vespa PK 50 1981 klatsch
18.01.13 20.00 Carsten B aus I ist offline E-Mail an Carsten B aus I senden Beiträge von Carsten B aus I suchen Nehmen Sie Carsten B aus I in Ihre Freundesliste auf
dodo9061


images/avatars/avatar-2349.jpg

Dabei seit: 24.11.11
Herkunft: Ö - Baden bei Wien

Auf diesen Beitrag antworten Zitatantwort auf diesen Beitrag erstellen Diesen Beitrag editieren/löschen Diesen Beitrag einem Moderator melden       Zum Anfang der Seite springen

Nimm mal Kontakt mit der Fa.Krause auf. Top
Die können dir bestimmt weiterhelfen.

__________________
auf auf da Goas noch
18.01.13 20.03 dodo9061 ist offline E-Mail an dodo9061 senden Beiträge von dodo9061 suchen Nehmen Sie dodo9061 in Ihre Freundesliste auf
Peter Muhr


images/avatars/avatar-1075.jpg

Dabei seit: 05.12.04
Herkunft: Iserlohn

Auf diesen Beitrag antworten Zitatantwort auf diesen Beitrag erstellen Diesen Beitrag editieren/löschen Diesen Beitrag einem Moderator melden       Zum Anfang der Seite springen

Hallo



Hier Mel ein Link



Welche Düsen beim Weber



Guckst du


Gruß Peter

__________________
 Wink 2   Auch meine Schreibfehler könnt Ihr behalten  Wink 2  



Kadett B Car 2 LE, Kadett B Cabrio 1,1 , Kadett B Limo 1,1, Pontiac Star Chief 1955, Chevy Pick Up 1955, Kadett Limo 2,3 Power 147 PS, NSU Prima D,Vespa 1965
18.01.13 20.05 Peter Muhr ist offline E-Mail an Peter Muhr senden Beiträge von Peter Muhr suchen Nehmen Sie Peter Muhr in Ihre Freundesliste auf
Peter Muhr


images/avatars/avatar-1075.jpg

Dabei seit: 05.12.04
Herkunft: Iserlohn

Auf diesen Beitrag antworten Zitatantwort auf diesen Beitrag erstellen Diesen Beitrag editieren/löschen Diesen Beitrag einem Moderator melden       Zum Anfang der Seite springen

Hallo

Noch mal zu seinem Problem der Motor verschluckt sich beim Beschleunigen als wenn die Beschleunigermenbran beim Normalen Vergaser nicht Arbeiten.
Stellt man die Zündung extrem auf Früh merkt Mann es nicht.
Er hat eine Transistorzündung aus einem Corsa A / B drin ohne Frühverstellung , weil ja kein Anschluß am Vergaser vorhanden ist.



Gruß Peter

__________________
 Wink 2   Auch meine Schreibfehler könnt Ihr behalten  Wink 2  



Kadett B Car 2 LE, Kadett B Cabrio 1,1 , Kadett B Limo 1,1, Pontiac Star Chief 1955, Chevy Pick Up 1955, Kadett Limo 2,3 Power 147 PS, NSU Prima D,Vespa 1965
18.01.13 20.09 Peter Muhr ist offline E-Mail an Peter Muhr senden Beiträge von Peter Muhr suchen Nehmen Sie Peter Muhr in Ihre Freundesliste auf
Greenie


Dabei seit: 17.04.04

Auf diesen Beitrag antworten Zitatantwort auf diesen Beitrag erstellen Diesen Beitrag editieren/löschen Diesen Beitrag einem Moderator melden       Zum Anfang der Seite springen

hmmm...komisch bei mir funzt der Link....

Jetzt wäre erstmal das ganze Setup wichtig....Motor 12S...ok....
Kopf serie?
Nocke Serie ?
.....wenn ja welche Düsen sind jetzt Drin....inkl Pumpendüsen....
welche Zerstäuber und Venturis...wieviele Übergangsbohrungen hat das Gehäuse....u.s.w.
ein Verschlucken im unteren Drehzahlbereich kann mehrere Ursachen haben....meistens sind es die Pumpendüsen die zu klein sind weil meistens die venturis zu gross sind und beim schnellen gasgeben der Luftstrom abreisst....
gib mal mehr infos......sonst wird es schwer....

@Peterle......ich helf ja schon aber fast alles steht schon hier im forum was Weber betrifft und Du weist selbst,daß kein Motor gleich ist und auch kein Weber...... blink
18.01.13 20.29 Greenie ist offline E-Mail an Greenie senden Beiträge von Greenie suchen Nehmen Sie Greenie in Ihre Freundesliste auf
Peter Muhr


images/avatars/avatar-1075.jpg

Dabei seit: 05.12.04
Herkunft: Iserlohn

Auf diesen Beitrag antworten Zitatantwort auf diesen Beitrag erstellen Diesen Beitrag editieren/löschen Diesen Beitrag einem Moderator melden       Zum Anfang der Seite springen

@ Greenie



Ich weiß Ich nerve aber hat jemand eine Explosionszeichnung mit Erklärung
Was was ist. Damit wir Dir Daten schicken können.



Gruß Peter

__________________
 Wink 2   Auch meine Schreibfehler könnt Ihr behalten  Wink 2  



Kadett B Car 2 LE, Kadett B Cabrio 1,1 , Kadett B Limo 1,1, Pontiac Star Chief 1955, Chevy Pick Up 1955, Kadett Limo 2,3 Power 147 PS, NSU Prima D,Vespa 1965
18.01.13 20.36 Peter Muhr ist offline E-Mail an Peter Muhr senden Beiträge von Peter Muhr suchen Nehmen Sie Peter Muhr in Ihre Freundesliste auf
Carsten B aus I


images/avatars/avatar-2544.jpg

Dabei seit: 19.12.12
Herkunft: Iserlohn

Themenstarter Thema begonnen von Carsten B aus I
Auf diesen Beitrag antworten Zitatantwort auf diesen Beitrag erstellen Diesen Beitrag editieren/löschen Diesen Beitrag einem Moderator melden       Zum Anfang der Seite springen

Eine Explosionszeichnung vom Weber ? Kann ich Ausdrucken .

Gruß Carsten banane

__________________
Gruß Carsten





headbanger Opel Kadett-B 1969 / Vespa PK 50 1981 klatsch
18.01.13 20.43 Carsten B aus I ist offline E-Mail an Carsten B aus I senden Beiträge von Carsten B aus I suchen Nehmen Sie Carsten B aus I in Ihre Freundesliste auf
dodo9061


images/avatars/avatar-2349.jpg

Dabei seit: 24.11.11
Herkunft: Ö - Baden bei Wien

Auf diesen Beitrag antworten Zitatantwort auf diesen Beitrag erstellen Diesen Beitrag editieren/löschen Diesen Beitrag einem Moderator melden       Zum Anfang der Seite springen

Hey,

Schau mal da http://www.di-michele.de/html/40_dcoe_zeichnung.html

Wenn erforderlich bekommst du dort so einiges!!

__________________
auf auf da Goas noch
18.01.13 20.47 dodo9061 ist offline E-Mail an dodo9061 senden Beiträge von dodo9061 suchen Nehmen Sie dodo9061 in Ihre Freundesliste auf
Peter Muhr


images/avatars/avatar-1075.jpg

Dabei seit: 05.12.04
Herkunft: Iserlohn

Auf diesen Beitrag antworten Zitatantwort auf diesen Beitrag erstellen Diesen Beitrag editieren/löschen Diesen Beitrag einem Moderator melden       Zum Anfang der Seite springen

@ Carsten



Nicht ausdrucken sondern hier Posten andere wollen auch gucken.



Gruß Peter

__________________
 Wink 2   Auch meine Schreibfehler könnt Ihr behalten  Wink 2  



Kadett B Car 2 LE, Kadett B Cabrio 1,1 , Kadett B Limo 1,1, Pontiac Star Chief 1955, Chevy Pick Up 1955, Kadett Limo 2,3 Power 147 PS, NSU Prima D,Vespa 1965
18.01.13 20.47 Peter Muhr ist offline E-Mail an Peter Muhr senden Beiträge von Peter Muhr suchen Nehmen Sie Peter Muhr in Ihre Freundesliste auf
Greenie


Dabei seit: 17.04.04

Auf diesen Beitrag antworten Zitatantwort auf diesen Beitrag erstellen Diesen Beitrag editieren/löschen Diesen Beitrag einem Moderator melden       Zum Anfang der Seite springen

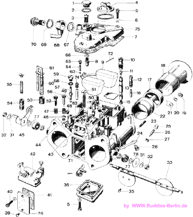
Sowas?

Greenie hat dieses Bild (verkleinerte Version) angehängt:

 
   Dateigröße:    Dateiname: W40DCOE.gif

18.01.13 20.48 Greenie ist offline E-Mail an Greenie senden Beiträge von Greenie suchen Nehmen Sie Greenie in Ihre Freundesliste auf
Peter Muhr


images/avatars/avatar-1075.jpg

Dabei seit: 05.12.04
Herkunft: Iserlohn

Auf diesen Beitrag antworten Zitatantwort auf diesen Beitrag erstellen Diesen Beitrag editieren/löschen Diesen Beitrag einem Moderator melden       Zum Anfang der Seite springen

Hallo


@greenie



Das sieht gut aus jetzt fehlt nur noch die Düsen Beschreibung

__________________
 Wink 2   Auch meine Schreibfehler könnt Ihr behalten  Wink 2  



Kadett B Car 2 LE, Kadett B Cabrio 1,1 , Kadett B Limo 1,1, Pontiac Star Chief 1955, Chevy Pick Up 1955, Kadett Limo 2,3 Power 147 PS, NSU Prima D,Vespa 1965
18.01.13 20.51 Peter Muhr ist offline E-Mail an Peter Muhr senden Beiträge von Peter Muhr suchen Nehmen Sie Peter Muhr in Ihre Freundesliste auf
Greenie


Dabei seit: 17.04.04

Auf diesen Beitrag antworten Zitatantwort auf diesen Beitrag erstellen Diesen Beitrag editieren/löschen Diesen Beitrag einem Moderator melden       Zum Anfang der Seite springen

ich versuche es mal mit meinen worten...

11 Luftkorrekturdüse
15 Hauptdüse
13 Düsenstock
12 Leerlaufdüsenhalter
16 Leerlaufdüse
57 Pumpendüse
43 Bodendüse
22 Venturirohr
17 Vorzersteuber

so das ist mal das Wichtigste.....
18.01.13 21.00 Greenie ist offline E-Mail an Greenie senden Beiträge von Greenie suchen Nehmen Sie Greenie in Ihre Freundesliste auf
dodo9061


images/avatars/avatar-2349.jpg

Dabei seit: 24.11.11
Herkunft: Ö - Baden bei Wien

Auf diesen Beitrag antworten Zitatantwort auf diesen Beitrag erstellen Diesen Beitrag editieren/löschen Diesen Beitrag einem Moderator melden       Zum Anfang der Seite springen

... Benutz doch einfach den Link Wandhauer crazy

__________________
auf auf da Goas noch
18.01.13 21.14 dodo9061 ist offline E-Mail an dodo9061 senden Beiträge von dodo9061 suchen Nehmen Sie dodo9061 in Ihre Freundesliste auf
Greenie


Dabei seit: 17.04.04

Auf diesen Beitrag antworten Zitatantwort auf diesen Beitrag erstellen Diesen Beitrag editieren/löschen Diesen Beitrag einem Moderator melden       Zum Anfang der Seite springen

ja Dodo aber das hilft ihm nicht wenn er nicht weis nach was er in seinem Vergaser schauen soll......darum hab ich das was ich wissen muß um zu helfen aufgelistet.......und wenn er was braucht ich hab einiges an weberteilen und Düsen hier liegen.....klar kann er auch bei Krause oder bei di Michele einkaufen....da bekommt er dann alles was er braucht .....aber ich brauch erstmal infos biggrin

also Carsten...mach mal Deinen Vergaser auf und schreib hier was da eingebaut ist....am bessten hinter die oben genannten Nummern....
18.01.13 21.25 Greenie ist offline E-Mail an Greenie senden Beiträge von Greenie suchen Nehmen Sie Greenie in Ihre Freundesliste auf
Carsten B aus I


images/avatars/avatar-2544.jpg

Dabei seit: 19.12.12
Herkunft: Iserlohn

Themenstarter Thema begonnen von Carsten B aus I
Auf diesen Beitrag antworten Zitatantwort auf diesen Beitrag erstellen Diesen Beitrag editieren/löschen Diesen Beitrag einem Moderator melden       Zum Anfang der Seite springen

Ok danke euch erstmal . Werde die Tage das gute Stück mal zerlegen und die Düsen Nummern aufschreiben .

Gruß Carsten

__________________
Gruß Carsten





headbanger Opel Kadett-B 1969 / Vespa PK 50 1981 klatsch
18.01.13 21.32 Carsten B aus I ist offline E-Mail an Carsten B aus I senden Beiträge von Carsten B aus I suchen Nehmen Sie Carsten B aus I in Ihre Freundesliste auf
Seiten (2): [1] 2 nächste » Baumstruktur | Brettstruktur
Gehe zu:
Neues Thema erstellen Antwort erstellen
Kadett B Forum » Off - Topic » allgemeine Rumlaberei *SPAM* » 40 Weber Vergaser

Impressum