|
 |
Hilfe zu Wischer Intervall |
Ebi001
Thomas

Dabei seit: 17.11.09
Herkunft: Schöneck
 |
|
| Hilfe zu Wischer Intervall |
 |
Hallo an die Spezialisten,
Ich bräuchte mal Hilfe beim Anschluss eines Regelbaren Wischer Intervall Relais.
Ich habe mir ein altes aber funktionsfähiges Relais besorgt und habe es Versucht zum Laufen zu bekommen, aber ohne erfolg.
Habe mal Bilder vom Teil gemacht und einen Anschlussplan Gezeichnet, da keiner dabei wahr.
Hat einer von euch schon mal so ein Teil eingebaut ???
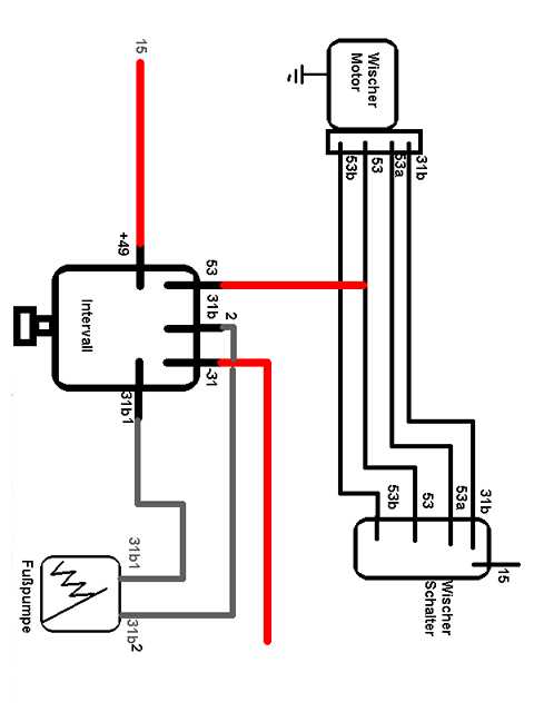
Hier die Belegung :
+49
53
31b2
-31
31b1
Sobald ich auf 49 Strom und auf 31 Masse klemme und es Einschalte kommt auf 53 immer ein kurzer Impuls.
Hat einer von Euch noch einen Vorschlag wie ich das Teil zum Laufen bekomme.
Gruß
Thomas
|
Ebi001 hat diese Bilder (verkleinerte Versionen) angehängt: |
|
Dateigröße:
Dateiname: K640_CIMG2178.jpg
Dateigröße:
Dateiname: K640_CIMG2179.jpg
Dateigröße:
Dateiname: K640_Anschlussplan.jpg
|
|
|
__________________ 4-türiger Schrägheck Olympia 11SR
Bj 1970 mit Gelben Augen www.kadett-olympia.de
|
|
10.07.11 18.17 |
|
|
Neurotiker
Altmetallsammler

Dabei seit: 20.10.09
Herkunft: NRW GE
 |
|
| RE: Hilfe zu Wischer Intervall |
 |
Hallo Ebi- wir kennen uns ja- bei mir hat es ewig gedauert.
Her meine und andere Überlegungen (die Auflösung unten!) und ein Plan.
Intervallscheibenwischerschalter
Gruß Mirko
__________________ ALTMETALLSAMMLER
- 4-türiger Schrägheck Olympia 11SR
|
|
10.07.11 19.01 |
|
|
Totti

Dabei seit: 20.09.10
Herkunft: Lübeck
 |
|
| RE: Hilfe zu Wischer Intervall |
 |
In unserem war auch ein Intervall Relais drin aber das lief irgendwie nicht.
Leider habe ich über den Hersteller nicht viel gefunden, Fa. Hütter. Anbei ein Bild.
Es sind insgesamt 5 Kabel, 2x grün, 1x gelb,1x schwarz und 1x rot.
Rot wird wohl + sein, schwarz -.
Nur der Rest ist mir nicht klar.
Wäre schön wenn jemand helfen könnte.
|
Totti hat dieses Bild (verkleinerte Version) angehängt: |
|
Dateigröße:
Dateiname: 2011-10-31 22.12.56.jpg
|
|
|
|
|
31.10.11 22.39 |
|
|
örni
Bratbär

Dabei seit: 06.07.07
Herkunft: Nottuln
 |
|
das mit dem kurtzen Impuls ist schon richtig, durch die endabschaltung macht der Wischer eine komplette Runde wenn er einmal angelaufen ist.
Vorraussetzung natürlich eine einwandfreie Endabschaltung.
grüße Björn
__________________ Lieber ROST als PLASTIK !!!
Der Kunde hat ein Recht auf ordentlichen Pfusch!
|
|
01.11.11 22.59 |
|
|
Ebi001
Thomas

Dabei seit: 17.11.09
Herkunft: Schöneck
Themenstarter
 |
|
Moin,
Also mit dem Regelbaren Relais habe ich es nicht zur Funktion bekommen.
Ich habe mir dann ein Normales Wischerrelais (Corsa B) besorgt,
nach Zwei Drei Versuchen hat das dann Funktioniert.
Es muß ja nicht Regelba sein, bei den meisten Altagsfahrzeugen ist es ja auch nicht Regelbar.
Habe es dann über den Schalter der Parkleuchte geschaltet, da diese bei meinem Fahrzeug nicht vorhanden sind und auch nicht Montiert werden.
Ein paar Regenfahrten habe ich schon hinter mich gebracht und es hat
super Funktioniert.
Ich habe mir auch einen Schaltplan dazu erstellt, wenn jemand Interesse hat einfach melden.
__________________ 4-türiger Schrägheck Olympia 11SR
Bj 1970 mit Gelben Augen www.kadett-olympia.de
|
|
02.11.11 07.50 |
|
|
Totti

Dabei seit: 20.09.10
Herkunft: Lübeck
 |
|
Zu meinem Relais kann wohl keiner was sagen?
|
|
02.11.11 10.45 |
|
|
Ebi001
Thomas

Dabei seit: 17.11.09
Herkunft: Schöneck
Themenstarter
 |
|
Hallo Totti,
Was ich raubekommen konnte wird das Relai volgendermaßen Angeschlossen
Schwarz auf Masse
Rot auf 53a Violett
Gelb auf 53 Gelb
Grüne Leitungen werden zwischen Motor und Schalter Eingeschleift
53e Grün oder Blau
Habe einen Anschlussplan Gezeichnet ich hoffe der Hilft etwas
Gruß
Thomas
|
Ebi001 hat dieses Bild (verkleinerte Version) angehängt: |
|
Dateigröße:
Dateiname: K800_Anschluss.jpg
|
|
|
__________________ 4-türiger Schrägheck Olympia 11SR
Bj 1970 mit Gelben Augen www.kadett-olympia.de
|
|
02.11.11 17.22 |
|
|
Totti

Dabei seit: 20.09.10
Herkunft: Lübeck
 |
|
Super Thomas!!
Vielen dank für die Hilfe.
Meine Kabel für den Kabelbaum sind gerade unterwegs.
Da ich den kompl. neu mache, kann es noch ein wenig dauern, bis ich das ausprobiert habe aber ich gebe auf jeden Fall ne Rückmeldung.
Mal ganz blöd gefragt, wenn ich 53e durchtrenne und da das Relais einschleife, funktioniert dann die normale Wischbestätigung noch und muss das Intervallr. immer mit eingeschaltet werden?
Gruß
Torsten
|
|
02.11.11 21.25 |
|
|
Yogi unregistriert
 |
|
Ich hatte vor einiger Zeit ein Zusatzrelais mit Anleitung in der Hand und da stand dann drin, wenn bei Betrieb das und das Kabel Strom führt ist das Relais nicht geeignet.
Mit anderen Worten: Beim Kadett B ist das nicht kompatibel, beim Ascona A schon!
|
|
02.11.11 21.25 |
|
|
Ebi001
Thomas

Dabei seit: 17.11.09
Herkunft: Schöneck
Themenstarter
 |
|
Hallo Totti,
Durch das Einschleifen funktioniert dein Wischer gans normal.
Bei den Relais ist im Ausgeschaltetem zustand das (Grüne) Kabel wieder Gebrückt.
Also kein einschalten des Intervallrelais und gleichzeitiges Einschalten des normalen Wischerschaltern nötig.
Das Funktioniert genauso wie bei den Heutigen Autos nur mit dem Unterschieddas du zwei schalter hast über die das ganze bedient wird.
Ich hoffe das es bei Dir Funktioniert, bei mir leider nicht
Gruß
Thomas
__________________ 4-türiger Schrägheck Olympia 11SR
Bj 1970 mit Gelben Augen www.kadett-olympia.de
|
|
02.11.11 22.05 |
|
|
Totti

Dabei seit: 20.09.10
Herkunft: Lübeck
 |
|
Hi Thomas,
wollt nur mal Rückmeldung geben: Hat mit deiner Skizze wunderbar funktioniert.
VIELEN DANK!!!
|
|
21.11.11 10.23 |
|
|
|
|
|
 |
Impressum
|